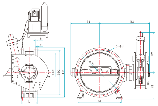
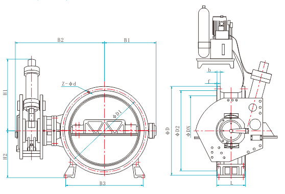
Product standard: JB/T5299
Nominal pressure: PN0.6-2.5MPa
Nominal diameter: DN500-3000mm
The butterfly valve is opened and closed by hydraulic drive, can be adjusted within 90 degrees of the butterfly plate fast and slow closing angle of the two phase, can be installed in the vertical and horizontal type two.
Main dimensions, dimensions and dimensions
![]()
![]()
| Product name | Energy storage tank type single sealing water inlet valve | ||
|---|---|---|---|
| *Order quantity | Corporate name | ||
| *Linkman | *Contact number | ||
| *Phone | |||
| Address | |||
| *Message | |||
| *Verification Code |
|
||
