Model (Model):BQ3 (9) 41R-2.5\6\16\25
Nominal diameter (Nominal diameter):DN500-DN2400
Nominal pressure (Nominal pressure):PN0.25-25Mpa
Suitable medium: water, sewage, sea water, oil, mud, ash, with granular media etc.
Technical features: zero friction metal hard seal ball valve, butterfly valve is the use of hydraulic bellows components to achieve a new type of valve switch friction structure. The valve body sealing ring is connected with a corrugated pipe assembly, and the bellows assembly is connected with a hydraulic regulating device. The seal ring of the valve from the valve ball seal, the valve ball becomes 90 degrees, in order to achieve zero friction opening, the valve opens the valve sealing ring is driven by the hydraulic device back to the original position. When the valve is closed, the same as the above process, to achieve zero friction off without leakage. This structure not only makes the ball valve butterfly valve switch resistance is small, it will not wear seal.
Novel design, unique structure, light and flexible operation. Large flow coefficient, small fluid resistance, high efficiency and energy saving.
The series of products with international advanced level.
Use: the ball valve, butterfly valve belongs to two-way sealing multi-purpose, low pressure valve, cut-off valve can be used, also can be used as a control valve, adjusting range is between 40 and 90 degrees, suitable for water supply and drainage, petroleum, chemical, metallurgy, thermal power, hydropower, light industry, low pressure pipeline in the system.
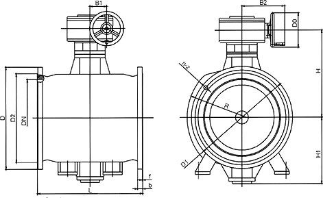
Main dimensions, dimensions and dimensions
![]()
