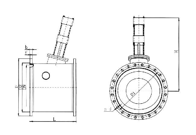
Product standard: GB12236 GB12238
Nominal pressure: PN1.6-4.0MPa
Nominal diameter: DN300-1200mm
For steam turbine piping system, in the event of the state, 0.3 seconds to quickly shut down to prevent the pipeline system of steam and condensate return to lead to turbine damage.
Main dimensions, dimensions and dimensions
![]()
