Product standard: GB12238
Nominal pressure: PN0.251.6MPa
Nominal diameter: DN250 - 1800mm
Suitable temperature: less than or equal to 80 DEG C
Main material: gray cast iron, nodular cast iron, low alloy cast iron
Sealing material: stainless steel
Seal leakage: GB/T13927 a
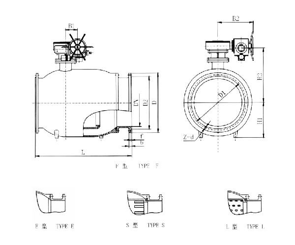
Transmission: manual, electric
A rectifying plate of the valve disc airfoil, cavitation resistance, the electric form can be made into automatic adjustment, adjust the medium parameters in pipeline.
Main dimensions, dimensions and dimensions
![]()
